推薦產品
吉林開展2018年度省級空氣源熱泵(熱泵類)可再生能源建筑應用示范項目驗收工作
吉林省住房和城鄉建設廳關于開展2018年度省級可再生能源建筑應用示范項目驗收的通知
吉建科〔2019〕2號
長春市建委,四平市、遼源市、白城市住房城鄉建設局,琿春市住房城鄉建設局,農安縣、伊通縣、敦化市、靖宇縣住房城鄉建設局,各有關單位:
為推進可再生能源建筑應用,確保省級可再生能源示范項目達到標準要求,提高獎補資金的使用效率,按照《吉林省建筑節能獎補資金管理辦法》(吉建財〔2016〕502號)規定,經研究,定于2019年3月上旬省住建廳會同省財政廳組織專家對2018年度省級可再生能源建筑應用示范項目進行專項驗收。具體事項通知如下:
一、加強組織領導
推進可再生能源建筑應用示范工作,是落實國家和省關于加快實施北方清潔取暖戰略部署的一項重要舉措,開展可再生能源示范項目專項驗收,是加強和規范示范項目管理、確保示范成效的重要手段。各地住房城鄉建設主管部門要高度重視專項驗收工作,加強對示范項目的跟蹤管理,認真組織本地區示范項目做好驗收準備工作。各示范項目建設單位要抓緊組織整理驗收材料,確保要求時限前完成相關工作。對于未通過專項驗收的示范項目,將取消示范資格,不予撥付獎補資金。
二、驗收條件和要求
(一)驗收條件。
1.示范項目應完成相應建設內容,建設程序文件資料齊全完整,且工程質量驗收合格;
2.示范項目熱泵機組應在2018-2019年采暖期投入使用,并通過能效測評。
(二)驗收材料。
申請專項驗收的項目單位應提供以下材料:
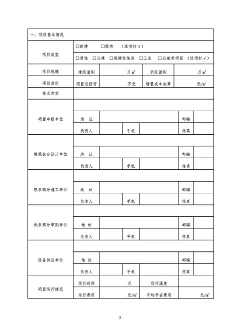
1.《吉林省可再生能源建筑應用示范項目驗收報告》一式三份;
2.示范項目《測評報告》,其中包括《形式檢查報告》、《性能檢測報告》、《能效評估報告》;
3.項目熱泵部分施工圖設計文件及審查報告;
4.成井報告;
5.分項工程監理、驗收資料;
6.施工驗收記錄復印件;
7.試運行調試記錄;
8.供熱運行記錄;
9.可再生能源建筑應用的管理制度、操作規程等;
10.相關產品、設備檢測報告、合格證等;
11.相關從業單位資質、節能產品認定證書;
12.設計、監理、施工等有關合同;
13.資金使用明細及相關憑證、票據;
14.地下水源熱泵提供《淺層地熱能勘察報告》、土壤源熱泵項目提供《熱響應測試報告》、空氣源熱泵項目提供《噪聲測試報告》;
15.招投標文件;
16.其他應提供的驗收資料。
驗收材料第2—16項應裝訂成冊,一式五份;同時準備電子文檔。
(三)其他。
各地建設主管部門應組織示范項目于2019年2月28日前提出驗收申請,并將驗收材料紙質材料(一份)連同電子文檔報至建筑節能科技處。現場驗收時間另行通知。
三、聯系方式
劉 楊 0431-82752569
附件:吉林省可再生能源建筑應用示范項目驗收報告
吉林省住房和城鄉建設廳
2019年2月2日





